Nexperia has extended its constant current LED driver family with eight new AEC-Q101 qualified devices that deliver up to 250mA.
The 16V NCR32xx and 40V NCR42xx series are available in two package styles, the smaller SOT457 (SC-74) or higher power SOT223 (SC-73) – the latter which works up to 1.25W.
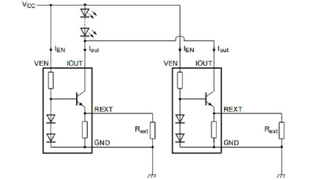
Output is stabilised at 10mA without an external resistor, and adjustable up to 250mA using an external resistor.
Voltage over-heard is 1.4V – due to the high-side npn configuration – and operation is up to a junction temperature of 150°C.
Part numbers vary with enable voltage. For example, the NCR320U is enabled by 12V and the enable pin can survive up to 25V, while the NCR321U operates at 3.3V and can survive 4.5V. In both cases, enable input current is 1.2mA at the rated enable voltage.
Given a driver that can meet the input requirements, PWM dimming is available at up to 10kHz.
Not all are 250mA parts – NCR420U and NCR421U are 40V parts that only work up to 150mA output.
“Capable of being paralleled, NCR32x and NCR42x are suited to constant current source and automotive applications including interior and exterior lighting such as door handles, dashboards, number plates, indicators and rear lights,” according to Nexperia product manager Joachim Stange.

